본문 바로가기
주메뉴 바로가기
회사소개
인사말
연혁
납품실적
목감사옥
찾아오시는 길
제품정보
FULLTECH AC FAN
SUNON DC FAN
FAN ACCESSORIES
LAZZEN(NADER)
Nell Power Semi (NPS)
Semiconductor
준비중.
제품문의·발주·결제
견적·제품문의
제품발주
결제계좌정보
카드결제
자료실·인증서
국제인증
제품사용
도면
고객지원
자주하는 질문
공지사항
관심등록
견적문의
메뉴 열기
메뉴
관심등록
견적문의
메뉴 닫기
제품정보
WOOHYUNG ELECTIRONICS
Home
제품정보
회사소개
제품정보
제품문의·발주·결제
자료실·인증서
고객지원
FULLTECH AC FAN
SUNON DC FAN
FAN ACCESSORIES
LAZZEN(NADER)
Nell Power Semi (NPS)
Semiconductor
준비중.
SUNON DC FAN
DC AXIAL FAN
고성능 DC FAN
저소음 DC FAN
방수(IP56~68) DC FAN
ESS 및 특수목적용
EC FAN (ATEX 방폭팬)
MIGHTY MINI FAN & BLOWER
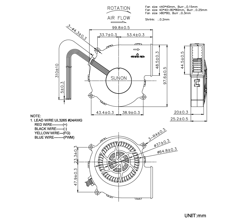
AFA0251B1-1B00U-S99
사이즈
99.8x97.6x20mm
전압
13.5Vdc
납기
샘플 2~5주 / 양산 8~12주
인증
AECQ-100, UKCA,CE,TUV,UL+CUR
제조사
SUNON
관심상품 등록하기
목록
TOP